В принципиальных схемах используются специальные символы и линии для точного описания методов подключения и принципов работы каждого компонента в цепи. В эпоху бурного развития современной науки и техники они играют важнейшую роль, являясь важным инструментом в области электронной техники . В этой статье будут даны всесторонние сведения о принципиальных схемах посредством определения принципиальных схем, составных элементов, производственных инструментов и т. д.
Принципиальная электрическая схема — это схема, на которой для обозначения соединений цепи используются графические символы и линии. С помощью специальных символов и комбинаций линий наглядно показано, как соединяются электронные компоненты, как протекает ток и каков принцип работы схемы.

Схемы электрических соединений можно разделить на различные типы, такие как принципиальные схемы, схемы электропроводки и схемы сборки. Принципиальные схемы в основном используются для демонстрации принципов работы и потоков сигналов в цепях, обычно без учета фактической физической компоновки; Схемы электропроводки фокусируются на демонстрации монтажа цепей на реальных печатных платах; а сборочные чертежи используются для руководства процессом сборки электронного оборудования.
Условные обозначения электронных компонентов являются наиболее базовыми компонентами принципиальных схем. Каждый электронный компонент имеет свой собственный определенный символ, который используется для обозначения функции и характеристик компонента в схеме. Распространенные символы электронных компонентов включают резисторы, конденсаторы, катушки индуктивности, диоды, транзисторы, интегральные схемы и т. д.

Компоненты принципиальной схемы
Соединительные провода используются для соединения символов электронных компонентов с целью обозначения электрических соединений между электронными компонентами.
Сплошная линия
Обозначает электрическое соединение, возможно, со стрелкой, указывающей направление тока (например, выход источника питания).
Кросс-линейная обработка:
Нет черных точек на пересечениях: не соединены (как две вертикально пересекающиеся линии).
Черные точки на перекрестках: соединения (типа Т-образных перекрестков).
пунктирная линия
Представляет собой неэлектрические соединения, такие как механические связи (например, физическое соединение переключателя), управляющие отношения (например, вывод микроконтроллера, управляющий реле).
Автобус
Используйте толстые или параллельные линии для представления нескольких сигнальных линий (например, шины данных и адресной шины) для упрощения сложных схем.
Источник питания — это источник энергии, который используется схемой для работы. Обычно он представлен в виде круга или прямоугольника с указанием значения напряжения и полярности источника питания. Заземление — это опорная точка потенциала в цепи, которая обычно обозначается треугольником или символом заземления.
На принципиальных схемах символы питания и заземления обычно располагаются на краю чертежа или в определенных местах для удобства идентификации и подключения.

Принципы проектирования принципиальных схем
Метки и аннотации являются важными компонентами принципиальных схем и используются для иллюстрации такой информации, как параметры, модели, функции электронных компонентов и принципы работы схемы. Маркировки и аннотации могут быть выражены в виде текста, цифр, символов и т. д. и обычно располагаются рядом с обозначениями электронных компонентов или на пустом месте чертежа.
Например, маркировка резистора может включать в себя такую информацию, как значение сопротивления, мощность и точность; Маркировка конденсатора может включать в себя такую информацию, как значение емкости, выдерживаемое напряжение и полярность. В то же время к принципиальной схеме можно добавлять аннотации, поясняющие принцип работы, специальные функции или меры предосторожности схемы.
Схемы электрических цепей являются важным инструментом при проектировании электронного оборудования. Проектировщики могут планировать структуру схемы и функции электронного оборудования, рисуя принципиальные схемы, выбирая соответствующие электронные компоненты и определяя способ их подключения. Принципиальные схемы также могут помочь проектировщикам моделировать и отлаживать схемы для обеспечения производительности и надежности электронного оборудования.
Для персонала, обслуживающего электронное оборудование, принципиальные схемы являются важной основой для диагностики и устранения неисправностей. Анализируя принципиальную схему, обслуживающий персонал может понять структуру схемы и принцип работы электронного оборудования, определить место и причину неисправности, а также принять соответствующие меры по техническому обслуживанию.
Принципиальные схемы являются важным инструментом для преподавания и изучения электроники. Преподаватели могут обучать студентов основным концепциям и принципам электронной техники, объясняя принципиальные схемы; Студенты могут углубить свое понимание и освоение электронных технологий, читая и анализируя принципиальные схемы.
Программное обеспечение профессионального уровня:
Altium Designer: ведущая в отрасли система проектирования печатных плат, которая объединяет проектирование схем, моделирование, 3D- моделирование и вывод производственных файлов для разработки высокотехнологичных электронных продуктов.
OrCAD: ориентирован на проектирование высокоскоростных цифровых схем, поддерживает анализ целостности сигналов и компоновку на основе ограничений, часто используется при разработке коммуникационного оборудования.
Легкие инструменты:
ProcessOn : поддерживает создание схем электрических цепей в режиме онлайн и предоставляет обширную библиотеку векторных символов, подходящую для быстрого рисования схем электрических цепей.
На примере ProcessOn подробно описываются следующие шаги по созданию принципиальной схемы:
1. Откройте официальный сайт ProcessOn, перейдите на страницу личного дела и создайте блок-схему.
2. Нажмите [Дополнительные изображения] в левом нижнем углу и выберите принципиальную схему.

3. Перетащите компоненты схемы на холст в соответствии с порядком и правилами работы схемы, а затем перетащите центральные линии компонентов схемы, чтобы соединить компоненты в соответствии с процессом работы принципиальной схемы.

4. После завершения чертежа экспортируйте его как изображение или файл PDF-формата, которые можно вставить в корпоративные документы и поделиться ими с членами команды. Вы также можете напрямую поделиться принципиальной схемой с коллегами или клиентами, чтобы члены команды могли просматривать или редактировать ее в режиме онлайн.

Сообщество шаблонов ProcessOn содержит множество шаблонов схем электрических цепей для справки и поддерживает копирование и использование для повышения эффективности чертежей. Ниже приведены некоторые общие шаблоны.

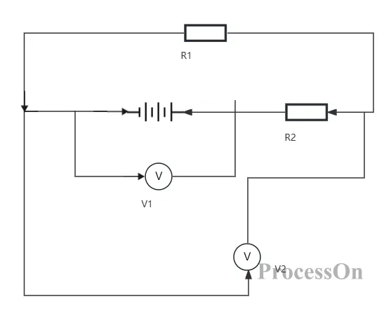
Принципиальная электрическая схема


Схема электрическая принципиальная

Схема цепи лампы с проточной водой

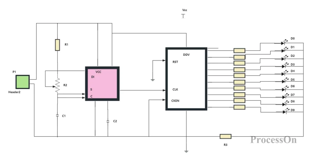
Схема зарядки мобильного телефона
ProcessOn — очень практичный онлайн-инструмент для рисования, предоставляющий нам удобную и эффективную платформу для рисования электрических схем. Освоив конкретные этапы и методы рисования принципиальных схем в ProcessOn, мы можем легко рисовать понятные, красивые и точные принципиальные схемы, обеспечивая надежную поддержку для изучения, проектирования и применения электронных технологий. Приходите и пользуйтесь бесплатно !